kategoria: A500
[#1] A500 i Adtwin
Witam. Odnowiłem Amige 500, ktora uratowałem od wylądowania na wysypisku śmieci. Znalazłem w sieci program Adtwin do nagrywania dyskietek i problem jest taki. Dyskietki nagrywa ale Amiga ich nie czyta. Stacja cyknie 2 razy i to wszystko. Dyskietki sprawne Verbatimy i TDK HD. Przy nagrywaniu zalepilem otwor by widzialo je na format DD.
Nagrywałem kompem pod kontrolą win10 na 1 rdzdniu procesora i tez probowalem nagrywać na laptopie z Pentium 3 800 mhz i tu szlo syrasznie powoli ale za to jedna dyskietka sie nagrala i Ami ją czyta ale idzie to mozolnie. Jak wczyta to jest to losowo bo często wychodzi blad Guru Meditation 00000003 albo 4 00001970.

Stacja pod LPT to Teac fd325hf. W Amidze mam Chinon fb354.
Mam jeszcze jeden naped z laptopa slim 26 pin.
[#2] Re: A500 i Adtwin

@Pawel1201, post #1

Na Win10 x64 mi się nie udało poprawnie nagrać dyskietek za pomocą ADTwin (ale to też kwestia niezintegrowanego portu LPT (tylko PCI - inny zakres pracy). Mam do tego osobny komputer z Windows 7 x64 i tu bez problemu działa. Kabel pod LPT zrobiłeś poprawnie?
Rozumiem, że do nagrywania używasz nieprzerobionej stacji dyskietek PC (ja również, ale próbowałem również przerobionej pod Amigę). Spróbuj przy nagrywaniu dyskietek użyć tej stacji wyjętej z Amigi (Chinon fb354) pod PC (wybrać stację Amiga w ustawieniach AdTwin) i wtedy sprawdź czy na tej samej stacji dysków co Amiga ma czytać będzie działać. W ADTwin jest test sprawdzający opóźnienia itp., przechodzi go u Ciebie poprawnie?
Czy masz jakąś sprawną i poprawnie odczytywaną dyskietkę do tej Amigi, którą poprawnie odczytuje (nie nagraną pod ADTwin)?

Ostatnia aktualizacja: 15.08.2019 09:21:15 przez Adinfo
[#3] Re: A500 i Adtwin

@Adinfo, post #2

Problem w tym ze brak jakiejkolwiek dyskietki nagranej pod Amigą. Kiedys kilka ich mialem ale podczas przeprowadzki gdzies zginęły. Stacji z Amigi nie podłączałem do portu LPT.
W pececie testy Adtwin przechodzi pomyslnie czas dostępu 20ms a na laptopie z P3 grubo ponad 700. Na kompie nagrywalo szybko około 40 sekund a na laptopie około 3-4 minuty.

Będę pozniej w domu to podlacze stacje z Ami.
[#4] Re: A500 i Adtwin

@Pawel1201, post #3

Czyli nie masz pewności czy ta stacja Amigowa jest dobra. Czyściłeś w niej profilaktycznie głowicę? - jeżeli ta Amiga leżała gdzieś w wilgoci lub "zakurzonym" miejscu może to być powodem niepoprawnego odczytu dyskietek. Te dyskietki nagrane ADTwin w takim razie mogą być poprawnie nagrane.
[#5] Re: A500 i Adtwin

@Adinfo, post #4

Amiga lezala na strychu 5 lat a wczesniej znalazlem ją na wystawce elektrośmieci. Lezala w kałuży. Stacje wyczyścilem. Z kurzu i pająków. Głowic nie odkręcałem. Wyczyscilem je delikatnie wacikiem z izopropanolem i nasmarowałem smarem ślimaka z silnika głowic, mam jeszcze jedną stacje i ona tez lezala na strychu okolo 13 lat. Wtedy ostatnio byla wlaczana.
[#6] Re: A500 i Adtwin

@Pawel1201, post #5

Podłączyłem stacje amigowa i nagralo dyskietke i w Amidze wczytalo ją ale sypie read error przy wczytywaniu WB 1.3



Ostatnia aktualizacja: 16.08.2019 13:33:47 przez Pawel1201
[#7] Re: A500 i Adtwin

@Pawel1201, post #6

To może być tak, że właśnie ta stacja się sypie i sama swoich dyskietek nie potrafi poprawnie odczytać. Tę PC-tową stację masz luzem (nie używasz jej w środku PC)? może by ją przerobić pod Amigową albo załatwić inną zdatną do przeróbki, np. jakiś Samsung, Sony albo inną. Na początek poszukaj obrazu do nagrania z X-Copy, może za którymś razem będziesz w stanie nagrać na tyle dobrze dyskietkę aby X-Copy ruszył i będziesz wtedy mógł zrobić próby formatowania z weryfikacją błędów w samej Amidze, wtedy będzie pewność, że stacja jest kiepska jeżeli na każdej formatowanej dyskietce wystąpią błędy.
[#8] Re: A500 i Adtwin

@Adinfo, post #7

U mnie jak byl problem ze stacja dyskietek to okazalo sie, ze to chyba detektor zapisu. Przeczyscilem Kontaktem, odstawilem na kilka godzin, potem tym drugim do "czyszczenia po czyszczeniu", nastepnie na 2 tygodnie i stacja zaczela dzialac.
[#9] Re: A500 i Adtwin

@Pawel1201, post #1

24 lub 25ego będę się kulał na Biskupią przez Prudnik, to mogę Ci coś nagrać na pewnej stacji i podrzucić przy okazji.

Ostatnia aktualizacja: 16.08.2019 22:24:50 przez tbone
[#10] Re: A500 i Adtwin

@tbone, post #9

Dzięki ale juz sobie poradziłem. Uruchomiłem X-copy i wewnetrzna stacja sprawna. Przy okazji zrobilem myszke przerabiając mysz na rs232. Tylko musze jakos WB odpalić. Ta stacja luzem pójdzie do drugiej Amigi z kick 2.1. Jutro bede na wiosce u rodziców to poszukam kabla 9 zylowego bo teraz nie mialem i uzylem 2 kable 4 zylowe.

[#11] Re: A500 i Adtwin

@Pawel1201, post #10

Ale chyba nie zamierzasz tej myszki podłączać do portu myszy ?
Jeśli już to do portu szeregowego.
Będziesz potrzebował jeszcze sterownika do obsługi myszy rs232.
Znajdziesz go na Aminecie.
Nie jest też potrzebny WB, żeby on zadziałał. Wystarczy ze uruchomisz driver.
Od tego momentu mysz będzie działała, ale tylko pod systemem.
[#12] Re: A500 i Adtwin

@Norbert, post #11

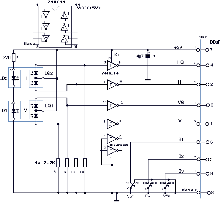
Ta mysz ma wyprutą elektronike. Zostawiłem diody IR i fototranzystory i do tego bramka 74hc14 i tak działa mi ta mysz.
Robiłem to według tego schematu.

Na stronie www.PPA.pl, podobnie jak na wielu innych stronach internetowych, wykorzystywane są tzw. cookies (ciasteczka). Służą ona m.in. do tego, aby zalogować się na swoje konto, czy brać udział w ankietach. Ze względu na nowe regulacje prawne jesteśmy zobowiązani do poinformowania Cię o tym w wyraźniejszy niż dotychczas sposób. Dalsze korzystanie z naszej strony bez zmiany ustawień przeglądarki internetowej będzie oznaczać, że zgadzasz się na ich wykorzystywanie.
OK, rozumiem